Разработка конструкторской документации
Полный спектр разрабатываемой документации согласно ЕСКД и международным стандартам
Мы разрабатываем все виды конструкторской документации, необходимой для производства, сборки, контроля и эксплуатации изделий.
Чертежи общего вида
Определяют конструкцию изделия, взаимодействие его составных частей и принцип работы.
Состав:
- Изображения изделия (виды, разрезы, сечения)
- Основные параметры и габаритные размеры
- Спецификация составных частей
- Технические требования
Сборочные чертежи
Содержат данные, необходимые для сборки (изготовления) и контроля сборочной единицы.
Состав:
- Изображения сборочной единицы
- Размеры, допуски и посадки
- Номера позиций составных частей
- Указания по сборке и контролю
Чертежи деталей
Содержат информацию для изготовления и контроля отдельной детали.
Состав:
- Изображения детали (необходимые виды, разрезы)
- Все необходимые размеры и допуски
- Указания по материалу, термообработке
- Шероховатость поверхностей
Схемы
Определяют составные части изделия и связи между ними.
Виды схем:
- Кинематические
- Гидравлические и пневматические
- Электрические принципиальные
- Схемы соединений
Спецификации
Определяют состав сборочной единицы, комплекса или комплекта.
Состав:
- Перечень всех составных частей
- Обозначения документов на эти части
- Количество составных частей
- Дополнительные сведения
Эксплуатационная документация
Устанавливают требования к изделию, его изготовлению, контролю, приемке и поставке.
Содержание:
- Технические требования
- Требования безопасности
- Правила приемки
- Методы контроля и испытаний
Мы разрабатываем документацию в соответствии требованиям различных рынков.
ЕСКД
Единая система конструкторской документации - российские стандарты
ГОСТ
ГОСТ 2.ххх серии, ГОСТ 3.ххх серии и другие отраслевые стандарты
ISO
Международные стандарты, включая ISO 128, ISO 129, ISO 1101
Ориентировочная стоимость разработки конструкторской документации:
от 1200 руб
Стоимость формата А4 входящего в состав КД
от 3500 руб
Стоимость сборочного чертежа формата А3 входящего в состав КД
от 5000 руб
Стоимость схемы подключения (Э5)
Примеры наших работ
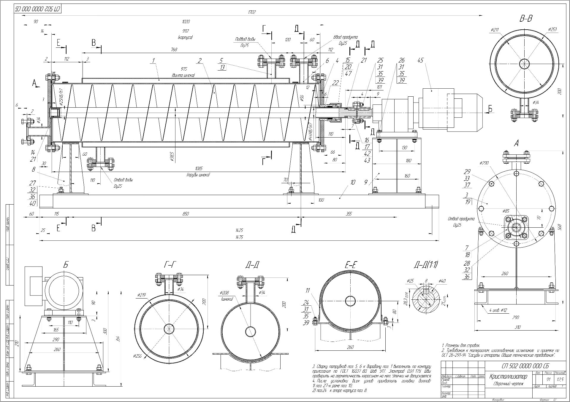
Кристаллизатор для очистки воды
Разработка полного комплекта конструкторской документации для ключевого узла инновационной установки — кристаллизатора, предназначенного для переработки отходов алюминиевого производства в ценный коагулянт (сульфат алюминия).
Технология не имеет аналогов и решает значительную экологическую проблему, предлагая экономически выгодное решение.
Кристаллизатор является ключевым элементом технологии, обеспечивающим процесс преобразования отходов в коагулянт.
ПодробнееСтенд проверки ручного тормоза
Разработка полного комплекта конструкторской документации для стенда проверки ручных тормозов автомобилей, способного обеспечить объективный контроль ключевых параметров изделия, а также повышение эффективности производственного процесса.
Крупнейший российский производитель автомобилей, завод АвтоВАЗ, столкнулся с необходимостью модернизации участка контроля сборки ручных тормозов.
Разработка подобного стенда и его конструкторской документации представляет собой важный вклад в развитие отечественного автомобилестроения, повышение конкурентоспособности продукции и обеспечение безопасности дорожного движения.
ПодробнееНаши клиенты






Обсудить проект РКД
Заполните форму, чтобы наш специалист связался с Вами и подробно проконсультировал



